工程业绩
新疆某铁矿厂谐波治理案例
● 项目背景
矿井提升机是煤矿生产过程中的重要设备,如今变频器在矿井提升机上得到广泛应用,采用变频器后,实现了软启动和平滑调速,提高了输入电源的功率因数,具有很好的节电效果,另一方面,由于变频器为非线性负载,所以在工作过程中产生大量谐波从而对电网造成污染,甚至影响其他设备的正常运行。
● 治理方案
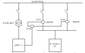
现场应用三台型号为NOKAPF-200A/0.4的有源电力滤波器采用并联方式通过升压变压器将谐波电流注入10KV电网,对电网电流谐波进行治理。
● 滤波器投运后的配电一次系统图


● 治理效果
1、11次谐波补偿前后对比
|
|
|
| (a)补偿前测试数据 | (b)补偿后测试数据 |
|
2、13次谐波补偿前后对比: |
|
|
|
|
|
(a)补偿前测试数据 |
(b)补偿后测试数据 |
|
|
|





