您现在的位置:主页 > 产品中心 > 智能电容器 >
  • 产品名称: NOKNC系列智能集成电力电容器
  • 浏览次数:

主要用途与适用范围

随着徴电子技术、数字控制技术、通信与网络技术的高速发展和广泛应用,管能电器得到了长足的发展。智能化、集成化、网络化、高可集性、可用性、可维护性、环保、安全成为智能电器发展的主流。 NOKNC系列智能集成电力电容器正是在智能电器患体发展框架上开发出来的全新一代低压无功补偿装置。是0.4kV低压配电网高效书能、降低线损、提高功率因数和电能质量的新一代无功补偿设备。它由智能测控単元过零投切开关电路,  线路保护単元,低压电力电容器构成,产品为上下分体式模块化结构,上面由智能测控、开关、保护等単元组成,下面由两台(△型)或一台(Y型)低压电力电容器构成。产品分为共补、分补两种,既可单台使用,也可多台组网构成补偿系统使用,可方使地实现就地、分散、集中自动补偿功能,还能满足三相不平衡场合的混合补偿要求。
产品采用了过零投切、现代测控、网络通讯、白动化控制等先进技术。改变了传统无功补偿装置落后的机械式接触器或机电一体化开关作为没切电容器的没切技术、改变了传统无功补偿装置体积庞大和笨重的结的模式,从而使新一代低压无功补偿设备具有补偿效果更好、体积更小、功耗更低、成本更低、使用更灵活、维护更方便、寿命更长、可集性更高的特点,适应了现代智能电网对元功补偿的更高要求。
该产品还适合各类开关柜生产企业的产品配套,从而为非专业厂表生产出高品质的无功功率补偿装置提供了有效的保证。 

型号及含义


功能特点
过零投切:
采用智能过零没切开关电路,实现等电压投入,零电流切除 ,投切无涌流冲击,无操作过电压,无电弧重燃,大大提高了设备的耐电压电流冲击,功耗小,減少了常规电容器拒内80%的能耗。
分相补偿:实现单相分別补偿解决三相负载不平衡状况对无功缺额较大的一相进行単独补偿,达到最优化的补偿效果。
节能降耗:体积结小50%左右.可节省占地面积、铜材、银材、工程塑料等资源50%左右,导线电损、接点电损、器件等电损降低50%左右.。
温度保护:配有温度传感器,能够反映电容器过电流,过谐波,漏电流过大和环境温度过高等情況下导致电容器内部发热.实现过温度保护,超过设定温度以后自动切除电容器.退出运行,起到保护设备的目的。
智能网络:多台智能集成电力电容器联网使用时自动生成一个网络,其中地址码最小的一个为主机,其余为从机,构成低压无功自动控制系统; 如果个别从机故障,自动退出,不影响其他电容工作;如果主机故障 ,也要退出,在其余从机中产生一个新的主机,组成一个新的系统;容量相同的电容器按循环投切原则,容量不同的电容器按适补原则投切; 485通讯接口,可以接入后台计算机进行配电综合管理。
高可靠性:  取消控制器,采用分散控制模式,杜绝因控制器故障导致整个系统瘫痪,智能过零投切开关确保电容投切过程中无涌流冲击、无操作过电压、无电弧重燃、故障率极
低,彻底解决了传统模式中接触器、电容器经常损坏的难题。
积木结构:  产品标准化、模块化,取代了传统的控制器、空气开关、交流接触器、可控硅、热继电器、电容器 ,将其合为一个整体,组柜安装的时候采用积木堆积解方式。
接线简単:多台电容器组柜安装,生产工时比特统模式减少60%以上同时减少80%连接线,减少80%的节点,柜内简洁,实现在使用现场快速组装。
扩容方便:产品体积小,接线简単,随着用电用户电力负荷的増加,可以随时増加电容器的数量,改变了常规模式接线复杂.一成不变的局限性,适应企业发展的需要,可以分期投资。
维护方便:具有简便的人机对话界面,界面显示保护动作类型有:过压、欠压、过流、过温、三相不平衡等;智能集成电力电容器具备自诊功能可以在显示屏上反映电子开关、电容器、空气开关、智能模块网络通讯等故障,有利于现场故障査找。
效果显著:保障系统电压稳定合格,提高功率因数,对投入电容器进行预测,若投入电容器过补,则不投入,避免无功超额而罚款;提高配变有功出力,减少增容投资,降损节能。
 

产品型号及分类

被控型、自控型

备注:0.48V共补、0.28V分补安装尺寸一样。


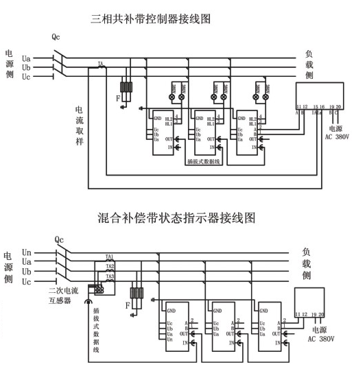
接线图



商品留言
微信扫码咨询
销售咨询热线
(0)13585448168
售后咨询热线
(0)15295055258