产品简介
在中、低压配电网系统中,存在着大量的单相、不对称、非线性、冲击性负荷,三相负荷系统是随机变化的,这些负荷会使配电系统产生三相不平衡,三相负载不平衡会导致供电系统三相电压、电流的不平衡,引起电网负序电压和负序电流,影响供电质量,进而增加线路损耗,降低供电可靠性。
NOK三相不平衡自动调节装置,完美解决电网三相不平衡问题,提高用电质量,该装置由三相不平衡无功补偿专用控制器、不平衡治理模块、保护装置、避雷器部件及柜体组成。
产品型号:
产品特点:
1)产品以三相不平衡电流和无功电流为判据,采用目标优化算法,将三相不平衡补偿与无功补偿相结合,进行了无功补偿,又能解决了三相不平衡的问题。
2)根据电网电压及负载变化情况,通过相间任意搭接电容器自动调节无功输出,自动调整三相有功电流的平衡,使三相不平衡度控制在15%以内。
3)采用过零开关投切电容器,投切无涌流,工作时无损耗。
装置功能:
1)三相不平衡调整及无功补偿控制功能:可选配三相不平衡无功补偿策略、普通无功补偿策略。
三相不平衡无功补偿策略:自动补偿配电变压器无功电流、自动调整三相间有功负荷均衡分配,以提高配电变压器负荷利用率,节能降损,降低零线电流,改善电网电压质量。
普通无功补偿策略:实分补按需投切或等值循环投切。
2)电气参数测量功能:测量三相电压、电流、有功功率、无功功率、功率因数、零序电流、谐波等。
3)电能计量功能:正反向有功电能(1.0级)、正反向无功电能(2.0级)。
4)负荷记录功能:分时段存储、记录三相电压、电流、有功功率、无功功率、功率因数、零序电流、正向有功电能、正向无功电能、反向无功电能等。
5)数据统计分析功能:每相电压、电流的最大值、最小值及其发生时刻,负荷利用率、电压合格率、供电可靠率、负载不平衡率及电容器投切记录等。
6)保护功能:过压、欠压保护、瞬态过电压保护、断相保护、谐波保护功能、短路保护、电容器的过温保护、过电压及断相速断等(各保护限值可设定)。
7)通信功能:具有RS232/RS485接口,或无线(GPRS/CDMA/GSM)方式抄收数据。
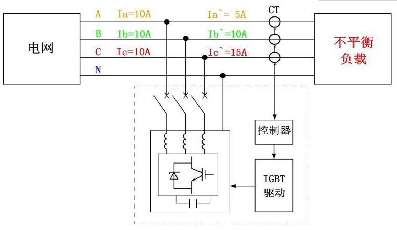
运行原理:
三相不平衡电流补偿原理
SPC通过电流互感器实时监测负载侧电流,通过内部DSP处理分析,计算达到平衡状态各相需要的补偿电流,然后驱动IGBT输出,实现三相电流平衡。
三相电压支撑原理
SPC采样补偿点电压,通过内部DSP处理分析,当电压超过调压上限(Umax)时,SPC输出感性电流,降低电压;当电压低于调压下限(Umin)时,SPC输出容性电流,提升电压,确保各相电压稳定在正常范围内。

外观结构: